|
|
| 产品展示>>接触器用真空灭弧室 |
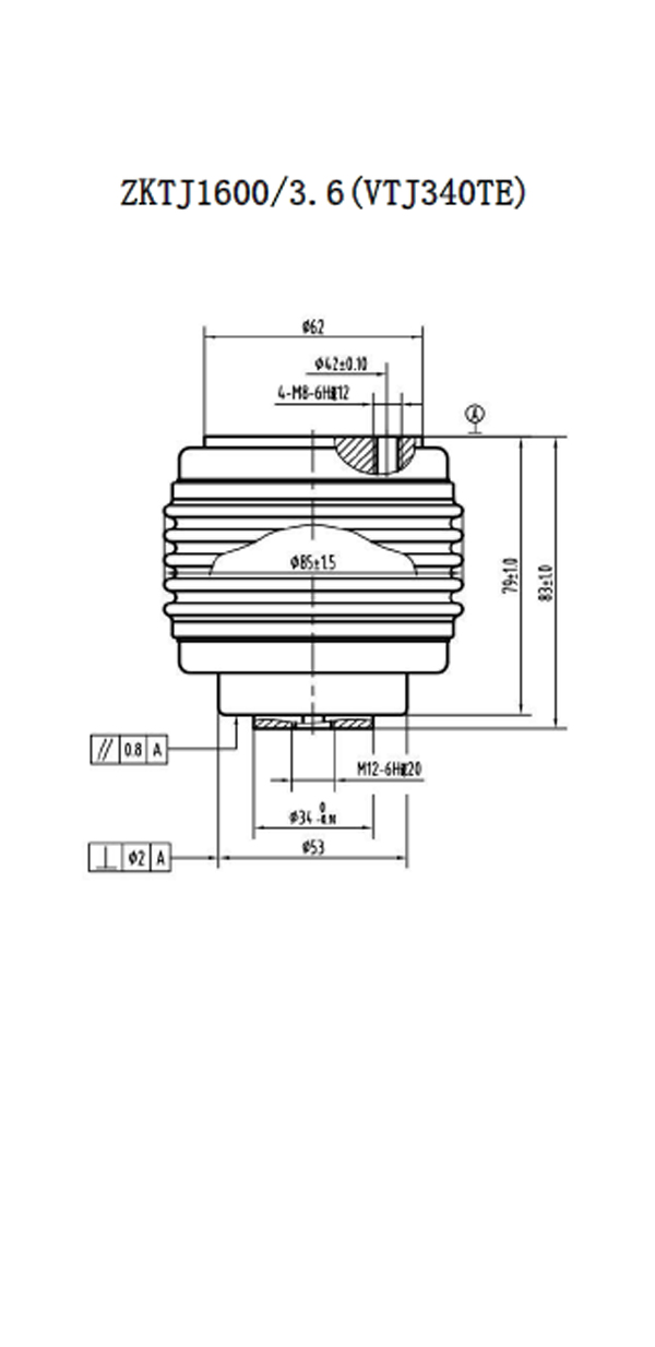
| ZKTJ1600/3.6 TJ340TE |

| 主要技术参数
|
|
|
| 额定电压
|
kV
|
3.6
|
| 额定电流
|
A
|
1600
|
| 额定频率
|
Hz
|
50
|
| 额定短时工频耐受电压(1min)
|
kV
|
21
|
| 额定雷电冲击耐受电压
|
kV
|
40
|
| 额定关合电流
|
kA
|
10
|
| 最大额定开断电流
|
kA
|
8.0
|
| 最小额定开断电流
|
A
|
250
|
| 极限开断电流
|
kA
|
10
|
| 额定短时耐受电流
|
kA
|
8.0
|
| 额定短路持续时间
|
s
|
4
|
| 机械寿命
|
times
|
10×10000
|
| 电寿命AC-3
|
times
|
10×10000
|
| 电寿命AC-4
|
times
|
10×10000
|
| 触头开距
|
mm
|
3±0.5
|
| 触头自闭力
|
N
|
150±30
|
| 额定开距下触头反力
|
N
|
200±40
|
| 触头自然闭合时回路电阻
|
μΩ
|
≤50
|
| 贮存期
|
years
|
20
|
| 触头允许磨损厚度
|
mm
|
3
|
| 运动部分质量
|
kg
|
≤0.8
|
|
|
|
|
| 配用的真空开关的机械参数
|
|
|
| 额定触头压力
|
N
|
350±20
|
| 平均分闸速度
|
m/s
|
0.6±0.2
|
| 平均合闸速度
|
m/s
|
0.3±0.1
|
| 触头合闸弹跳时间
|
ms
|
≤2
|
| 触头分闸反弹幅值
|
mm
|
≤2
|
| 三项同期性
|
ms
|
≤1
|
|
|
|
|
| 备注:所有真空管的尺寸均可根据客户的要求进行设计和更改
|
|
|
|